TSX-V: TAU   $3.66 (+0.27%)
OTCQX: THSGF   $2.66 (+2.11%)
FSE: A422AH   $2.16 (0.00%)
TSX-V: TAU   $3.66 (+0.27%)
OTCQX: THSGF   $2.66 (+2.11%)
FSE: A422AH   $2.16 (0.00%)

Lawyers-Ranch

A Gold Project, With Meaningful Silver Leverage

About the project

About the Project

Lawyers-Ranch is a premier precious metals Project with meaningful exposure to Silver in the Toodoggone Mining District of northern British Columbia. Thesis is actively advancing the Project through permitting and development while continuing exploration across its 495 km2 district-scale land package.

Lawyers-Ranch contains 4.6 Moz of epithermal-style gold-equivalent (AuEq) ounces (oz) (4.6 Moz AuEq M&I at 1.21 g/t), inclusive of Proven and Probable Mineral Reserves of 3.2 Moz AuEq at 1.33 g/t, and 643 koz AuEq Inferred at 1.23 g/t) in addition to numerous undrilled epithermal targets and underlying porphyry potential.

The global M&I AuEq Mineral Resource includes 97.9 Moz of Silver. One of Canada’s largest undeveloped mineral resources.

2025 PFS Economic Highlights (at US$ 2,900/oz Au & US$ 35/oz Ag)

C$ 2371 M

After-Tax NPV5%

54.7% IRR

After-Tax

1.1 Year Payback

After-Tax

USD $1185/oz AuEq

AISC2

2025 PFS Operational Highlights

266 koz/year AuEq3

Annual production first 5 years

Ag is 23%

of LOM revenues2

4.6 Moz AuEq M&I

Mineral Resources (including Mineral Reserves) and 643 koz AuEq Inferred Mineral Resources1

15.2 year

Mine Life1

(1) Refer to the news release dated December 1, 2025 entitled “Thesis Gold Announces Positive Prefeasibility Study for Lawyers-Ranch Project: After-Tax NPV5% of $2.37 Billion and 54.7% IRR”
(2)AISC costs consist of mining costs, processing costs, mine-level G&A, offsite charges, royalties, sustaining capital, expansion capital, and closure costs. Economic assumptions used include US$2,900/oz Au, US$35/oz Ag, 0.73 US$:CAD$ FX, process recoveries of 93% for the Lawyers and Ranch Areas, 86% and 88% Ag for the Lawyers and Ranch Areas, respectively, and 85% Cu for Ranch Area, and processing and G&A costs of CAD$17/t and CAD$6/t, respectively. AuEq values are calculated using an Au-to-Ag ratio of 1:80. Cu is not included in the AuEq calculation.
(3) Gold equivalency ratios used: Au:Ag 1:80, and Au:Cu 1:7,315 on a ppm basis.

Project Highlights

Excellent Infrastructure and Access – Year-round road accessible with a permitted airstrip and potential for a nearby power tie-in; Lawyers-Ranch is approximately 45 km from the Kemess Copper-Gold Mine

Significant Gold-Silver Reserves and Resources – Thesis has defined a total Mineral Reserve of 3.2 Moz AuEq (P&P) at 1.33 g/t AuEq, and a total Mineral Resource (including Mineral Reserves) of 4.5 Moz AuEq (M&I) at 1.21 g/t AuEq and 643 koz (Inf) at 1.23 AuEq

Silver production accounts for approximately 23% of project revenue Robust Pre-feasibility Study – The study outlines a high-margin, 15.2-year operation with strong projected economics leveraging existing infrastructure

District Scale Exploration Potential – numerous undrilled epithermal targets and underlying porphyry potential have been identified

Active Expansion and De-risking – Ongoing permitting, technical studies, exploration and expansion drilling, and field reconnaissance are unlocking new growth opportunities across the project

Project Highlights

Project Timeline

  • 2018

    Acquired Lawyers Project and started modern exploration programs

  • 2019

    Started environmental, metallurgical and engineering studies at Lawyers Project

  • 2020

    Acquired Ranch Project and started modern exploration programs

  • 2021

    Established agreements and commitments with First Nations and started metallurgical studies at Ranch Project

  • 2022

    Published Mineral Resource Estimate and Preliminary Economic Assessment for Lawyers Project

  • 2023

    Started environmental studies at Ranch Project and consolidated Lawyers-Ranch Project in August.

  • 2024

    Published first global Mineral Resource Estimate and Preliminary Economic Assessment for Lawyers-Ranch Project, and started engineering studies and expansion of metallurgical studies at Ranch Project.

  • Q1 2025

    Commenced Pre-feasibility Study for Lawyers-Ranch Project in January.

  • Q4 2025

    Announced results of PFS. Commenced Environmental Assessment Process

  • Q1 2026

    Commence Feasibility and Detailed Engineering Studies

  • 2026

    Expected Commencement of Feasibility Study/Detailed Engineering Studies

  • 2027

    Expected submission of Environmental Assessment Draft Application

  • Early 2029

    Expected Environmental Assessment Decision

Pre-Feasibility Study

On December 1, 2025, Thesis Gold announced a Positive Prefeasibility Study (PFS) for the Lawyers-Ranch Project that significantly improved on a PEA released in 2024. The PFS was led by Ausenco Engineering Canada ULC and will be filed on SEDAR+ within 45 days of the announcement.

View Announcement

The PFS assumes:

A conventional truck and shovel open-pit mining (“OP”) operation with common equipment sizing feeding consisting of:

  • A 13,700 tonnes per day industry standard processing plant with crushing, grinding, flotation, leaching and a Merrill Crowe recovery circuit to produce gold/silver doré bullion and concentrates on site
  • Four pits at Lawyers site and 8 pits at Ranch site;
  • A crossover to underground mining (“U/G”) from the Dukes Ridge, Cliff Creek, and Ranch Deposits from years 2 to 14 using longhole stoping and a small zone of drift-and-fill to feed up to 2,500 t/d.
  • The 2025 PFS is based on a Mineral Resource Estimate which includes a maiden Mineral Reserve Estimate and was announced by the Company on December 1, 2025

Download PFS Presentation

Download PFS

The Company’s 2024 PEA was preliminary in nature. It included inferred Mineral Resources that are considered too speculative geologically to have the economic considerations applied to them that would enable them to be categorized as Mineral Reserves, and there was no certainty that the 2024 PEA would be realized. The Company’s 2025 PFS is the Company’s current technical report, and it entirely replaces the results of the 2024 PEA, which is no longer current and should no longer be relied upon. A copy of the Company’s 2024 PEA was filed on the Company’s SEDAR+ profile at www.sedarpus.ca on October 16, 2024.

PEA
Assumptions 2025 PFS* 2024 PEA**
Gold USD/oz 2,900 5,000
Silver USD/oz 35 90
F/X Rate USD:C$ 0.73 0.73
       
Pre-Tax NPV (5%) C$M 3,730 10,483
Pre-Tax IRR % 73.5 160.1
After-Tax NPV (5%) C$M 2,370 6,655
After-Tax IRR % 54.4 118.1
After-tax Undiscounted Cash Flow  C$M 3,802 10,200
After-Tax Payback Period Years 1.1 0.5
       
AISC1 US$/AuEq1 oz 1,185
Initial Capital C$M 736.2
Sustaining Capital C$M 789.4
       
LOM Avg. Head Grade AuEq1 g/t 1.31
Avg. AuEq2 Annual Production Yrs. 1-3 oz per year 266,000
LOM Avg. AuEq2 Annual Production  oz per year 187,000
Mill Throughput Tonnes per day 13,700
Mine Life Years 15
Total Mine Production - Payable AuEq1 koz  2,837

* Refer to the news release dated December 1, 2025, entitled “Thesis Gold Announces Positive Prefeasibility Study for Lawyers-Ranch Project: After-Tax NPV5% of $2.37 Billion and 54.4% IRR”.
**The Company’s 2024 PEA was preliminary in nature.It included inferred Mineral Resources that are considered too speculative geologically to have the economic considerations applied to them that would enable them to be categorized as Mineral Reserves, and there was no certainty that the 2024 PEA would be realized. The Company’s 2025 PFS is the Company’s current technical report, and it entirely replaces the results of the 2024 PEA, which is no longer current and should no longer be relied upon. A copy of the Company’s 2024 PEA was filed on the Company’s SEDAR+ profile at www.sedarpus.ca on October 16, 2024.

  1. AuEq reported for the mined materials/mill feed in mineral resource estimate and mineral reserve estimates assumes a conversion of 80:1 for Ag to AuEq based on expected average expected recoveries of 93% Au and 86.1% Ag at US$2,000/oz Au and $24.50/oz Ag. AuEq production values are based on payable ounces as calculated by the financial model and have varying gold and silver recoveries by deposit at a US$2,900/oz Au and US$35/oz Ag.
  2. AISC† costs consist of mining costs, processing costs, mine-level G&A, offsite charges, royalties, sustaining capital, expansion capital, and closure costs.
Production graph
Production Unit First 5-year Avg LOM Total / Avg.
Mine Life yrs n/a 15
Total Processed Feed Tonnes kt 25,168 76,156
Waste Mined kt 119,746 341,960
OP Stripping Ratio W:O 6.5 4.6
Head Grade - Au g/t 1.25 0.97
Head Grade - Ag g/t 35.76 28.1
Head Grade - AuEq* g/t 1.68 1.31
Recovery Rate - Au % 92.9 92.8
Recovery Rate - Ag % 79.4 81.6
Total Payable Au koz 924 2,198
Total Payable Ag koz 21,460 52,940
Total Payable AuEq** koz 1,183 2,837
Average Annual Production - Au koz/yr 185 145
Average Annual Production - Ag koz/yr 4,292 3,482
Average Annual Production - AuEq** koz/yr 237 187

*AuEq reported for the mined materials/mill feed in mineral resource estimate and mineral reserve estimates assumes a conversion of 80:1 for Ag to AuEq based on expected average expected recoveries of 93% Au and 86.1% Ag at US$2,000/oz Au and $24.50/oz Ag.
**AuEq production values are based on payable ounces as calculated by the financial model and have varying gold and silver recoveries by deposit at a US$2,900/oz Au and US$35/oz Ag.

Operating/Capital Costs Pre-Production
($M)
Sustaining/Closure
($M)
Total
(C$M)
Open Pit Mining 79.1 181.0 260.1
Underground Mining 0.7 227.3 228.0
Mineral Processing 246.1 0.0 246.1
Tailings and Waste Management 70.7 293.1 363.8
On-site Infrastructure 103.1 0.0 103.1
Off-site Infrastructure 1.9 45.1 47.0
Project Indirect Costs 56.0 0.8 56.8
Engineering, Procurement &
Construction Management
53.6 0.0 53.6
Owner’s Costs 20.1 0.0 20.1
Closure 0.0 71.8 71.8
Subtotal 1 631.2 819.2 1,450.3
Contingency 98.7 42.0 140.7
Subtotal 2 729.8 861.2 1,591.0
Capitalized Process OPEX 6.4 0.0 6.4
Salvage Credit 0.00 (56.3) (56.3)
Total Capital Costs 736.2 804.9 1,541.1
  • Total Capital Costs not considering potential pre-production revenue of $91.1 M from processing stockpiles as part of commissioning and ramp-up plan.
  • LOM Operating Costs: $46.53/tonne
Capital Costs   Initial Capital Sustaining / Closure Total
Open Pit Mining C$M 62 113 175
UG Mining C$M 0 251 251
On-Site Development C$M 19 10 29
Mineral Processing C$M 205 0 205
Tailings & Waste Management C$M 54 56 109
On-Site Infrastructure C$M 46 22 68
Off-Site Infrastructure C$M 0.3 62 63
Project Indirects C$M 67 5 72
Engineering & Project Management C$M 42 6 48
Owners Costs C$M 17 0 17
Closure C$M 0 48 48
Subtotal C$M 511 573 1084
Contingency & Escalation C$M 88 22 109
Total C$M 598 595 1193
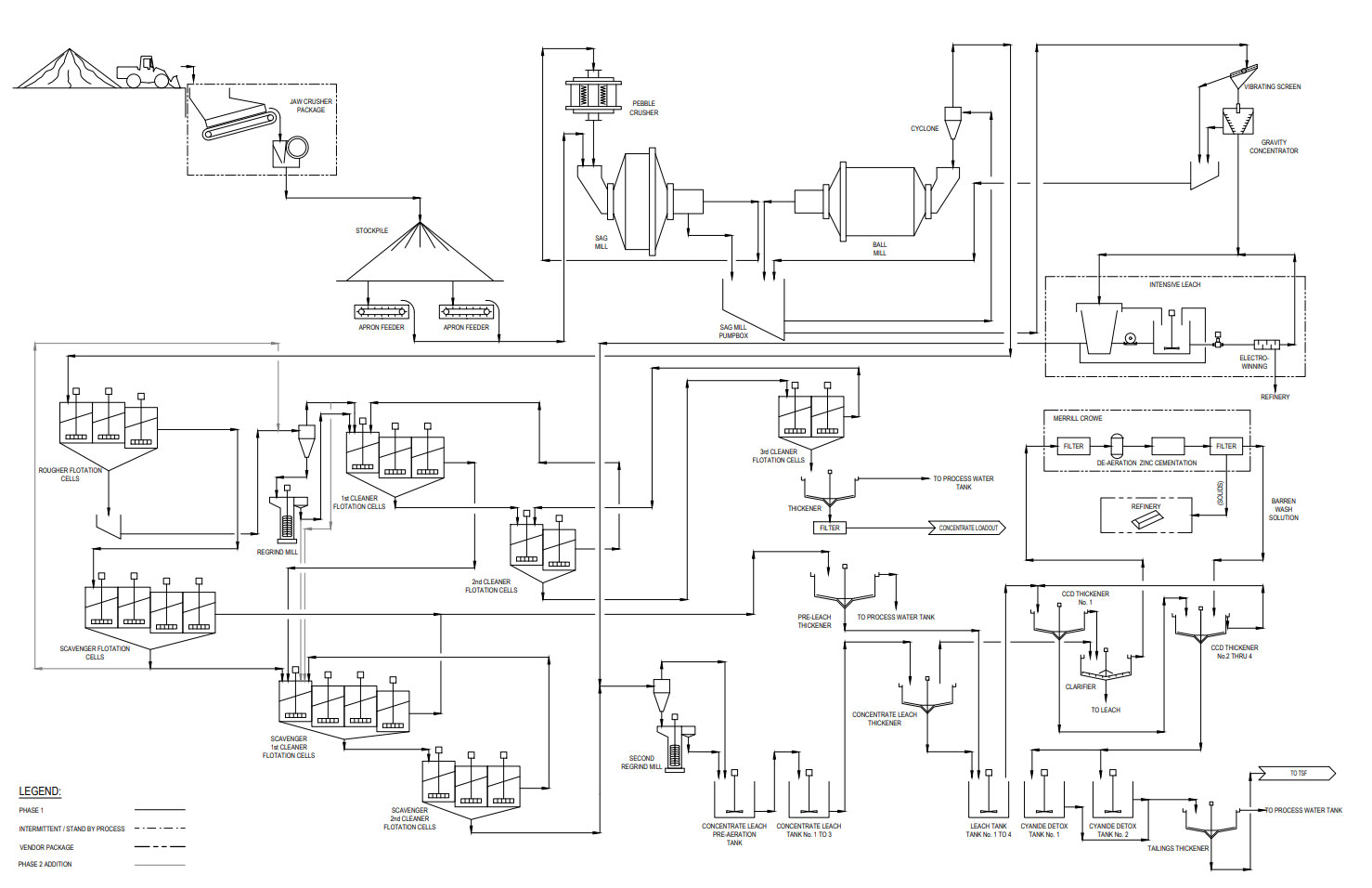
Process Flow Diagram
MRE

Mineral Resource Estimate

The PFS is based on the Mineral Resource Estimate that includes the project’s maiden Mineral Reserve Estimate and was prepared by P&E Mining Consultants Inc., and APEX Geoscience Ltd., with an effective date of October 16, 2025. It is summarized below. Mineral Resources that are not Mineral Reserves do not have demonstrated economic viability.

Significant Mineral Resource growth potential remains across both Lawyers and Ranch projects:

  • The underground Mineral Resource at Lawyers is open for expansion at depth
  • Ranch Mineral Resource zones also remain open
  • Over 20 undrilled targets hold potential for further discoveries.

The Lawyers area contains the majority of the Mineral Resource hosted in low sulfidation style epithermal deposits, while the Ranch area, which makes up the remaining portion of the Mineral Resource, is a characteristic lithocap environment hosting high sulfidation deposits.

Mineral Resource Table

The PFS is based on the Mineral Reserve Estimate prepared by Mining Plus and reported by Thesis Gold with an effective date of October 27, 2025. The Mineral Reserve Estimate is summarized in Table below:

Summary of October 27, 2025, Mineral Reserve Estimate
Category Tonnes (kt) Au
(g/t)
Ag
(g/t)
AuEq
(g/t)7
Au (koz) Ag (koz) AuEq
(koz)
Open Pit              
Proven              
Lawyers Area 31,582 0.97 33.45 1.39 990 33,965 1,414
Ranch Area 365 3.66 1.11 3.67 43 13 43
Open Pit Subtotal: Proven 31,948 1.01 33.08 1.42 1,033 33,978 1,457
Probable              
Lawyers Area 39,661 0.79 20.16 1.04 1,007 25,709 1,329
Ranch Area 2,134 1.65 11.69 1.80 113 802 123
Open Pit Subtotal: Probable 41,795 0.83 19.73 1.08 1,120 26,511 1,452
Underground              
Proven              
Lawyers Area 1,301 2.96 115.68 4.41 124 4,839 184
Underground Subtotal: Proven 1,301 2.96 115.68 4.41 124 4,839 184
Probable              
Lawyers Area 1,112 3.08 95.55 4.28 110 3,416 153
Underground Subtotal: Probable 1,112 3.08 95.55 4.28 110 3,416 153
Total              
Proven 33,249 1.08 36.31 1.54 1,156 38,817 1,642
Probable 42,907 0.89 21.69 1.16 1,231 29,927 1,605
Proven + Probable 76,156 0.97 28.08 1.33 2,387 68,743 3,246

Source: Mining Plus (2025)

Notes:
1. Classification of Mineral Reserves is in accordance with the CIM Definition Standards for Mineral Resources and Mineral Reserves (May 2014) of NI 43-101.
2. The independent and qualified person for the Mineral Reserve, as defined by NI 43-101, is Peter Lock, FAusIMM.
3. The effective date is October 27, 2025.
4. Open Pit Mineral Reserves are reported using an AuEq cut-off grade of 0.29 g/t AuEq for the Lawyers Area pits and a 0.37 g/t for the Ranch Area.
5. Underground Mineral Reserves are reported using a cut-off grade of 2.20 g/t diluted AuEq to determine the mining extents. Lower grade gaps within the extents were infilled using stopes that met the incremental cut-off grade of 1.7 g/t diluted AuEq. A lower mill feed cut-off grade of 1.5 g/t diluted AuEq was applied to mineralized development.
6. Processing costs used in the cut-off grade calculation were $C 15.77/t milled for Lawyers Area feed and $15.91/t milled for Ranch Area feed; the costs used for sustaining capital, G&A, and Ranch Area ore haul were $C 2.49/t milled, $C 5.23/t milled, and $C 5.80/t milled, respectively.
7. AuEq =Au + Ag/80, where Au is the gold grade in g/t and Ag is the silver grade in g/t.
8. Mineral Reserves are reported using long-term gold and silver prices of $US 2,000/oz and $US 24.50/oz, respectively, and a foreign exchange rate of 1CAD = 0.73USD.
9. The gold processing recovery assumptions used were 92.9% for the Lawyers Area mill feed and 93.2% for the Ranch Area feed. The silver processing recovery assumptions used were 86.1% for Lawyers Area mill feed and 88.4% for Ranch Area mill feed.
10. A minimum mining width of 2.5 m was used for all underground assets.
11.Rounding as required by reporting guidelines may result in apparent summation differences between tonnes, grade and contained metal content.

Summary of October 16, 2025 Mineral Resource Estimate
Mineral
Resource
Area
Cut-off
AuEq
(g/t)
Classification Tonnes
(k)
Au
(g/t)
Ag
(g/t)
Cu
(%)
AuEq
(g/t)
Au
(koz)
Ag
(koz)
Cu
(kt)
AuEq
(koz)
Pit-Constrained Mineral Resource Estimate
Lawyers Area 0.25 Measured 50,674 0.91 31.9 0.00 1.31 1,482 51,920 0 2,131
Indicated 61,778 0.77 21.0 0.00 1.03 1,527 41,737 0 2,049
M&I 112,452 0.83 25.9 0.00 1.16 3,009 93,657 0 4,179
Inferred 8,583 0.59 16.3 0.00 0.80 164 4,509 0 220
Ranch Area 0.25 Measured 376 3.91 1.3 0.02 3.93 47 16 0 47
Indicated 3,502 1.77 10.1 0.06 1.90 200 1,137 2 214
M&I 3,878 1.98 9.3 0.06 2.10 247 1,153 2 261
Inferred 5,785 1.50 4.7 0.10 1.56 279 876 6 290
Total 0.25 Measured 51,049 0.93 31.6 0.00 1.33 1,529 51,936 0 2,178
Indicated 65,281 0.82 20.4 0.00 1.08 1,727 42,874 2 2,263
M&I 116,330 0.87 25.3 0.00 1.19 3,256 94,810 2 4,441
Inferred 14,369 0.96 11.7 0.04 1.10 443 5,385 6 510
Out-of-Pit Mineral Resource Estimate
Lawyers Area 1.20 Indicated 1,173 2.20 81.5 0.00 3.21 83 3,073 0 121
Inferred 1,334 1.72 51.7 0.00 2.36 74 2,216 0 101
Ranch Area 1.20 Indicated 26 1.89 6.6 0.09 1.98 2 5 0 2
Inferred 530 1.80 4.2 0.16 1.85 31 71 1 32
Total 1.20 Indicated 1,199 2.19 79.8 0.00 3.19 84 3,078 0 123
Inferred 1,863 1.74 38.2 0.05 2.22 104 2,286 1 133
Total Mineral Resource Estimate
All Combined Measured 51,049 0.93 31.6 0.00 1.33 1,529 51,936 0 2,178
Indicated 66,480 0.85 21.5 0.00 1.12 1,811 45,952 2 2,386
M&I 117,529 0.88 25.9 0.00 1.21 3,340 97,888 2 4,564
Inferred 16,232 1.05 14.7 0.04 1.23 547 7,671 7 643

Source: APEX (2025)

Notes:
1. Mr. Eugene Puritch, P.Eng., FEC, CET, and Mr. Yungang Wu, M.Sc., P.Geo., of P&E Mining Consultants Inc., are independent Qualified Persons as defined by NI 43-101 and are responsible for the Mineral Resource Estimate, with an effective date of October 16, 2025.
2. Mineral Resources include Mineral Reserves. Mineral Resources that are not Mineral Reserves do not have demonstrated economic viability.
3. The estimate of Mineral Resources may be materially affected by environmental, permitting, legal, title, taxation, socio-political, marketing, or other relevant issues.
4. The Inferred Mineral Resource in this estimate has a lower level of confidence than that applied to an Indicated Mineral Resource and must not be converted to a Mineral Reserve. It is reasonably expected that the majority of the Inferred Mineral Resource could potentially be upgraded to an Indicated Mineral Resource with continued exploration.
5. The Mineral Resources were estimated in accordance with the Canadian Institute of Mining, Metallurgy and Petroleum (CIM), CIM Standards on Mineral Resources and Reserves, Definitions (2014) and Best Practices Guidelines (2019) prepared by the CIM Standing Committee on Reserve Definitions and adopted by the CIM Council.
6. Historical mined areas were removed from the block-modelled Mineral Resources.
7. The Lawyers Area includes the Cliff Creek (CC), Dukes Ridge (DR), Phoenix (PX), and Amethyst Gold Breccia (AGB) zones. The 2025 MRE includes updates to the CC, DR, and PX zones since the 2024 MRE. The AGB block model remains unchanged from the 2022 MRE but is restated with updated RPEEE constraints.
8. The Ranch Area includes the Thesis II, Thesis III, Bingo, Barite Vein (BV), Bonanza-South, JK, Bonanza, and Ridge zones. The 2025 MRE updates all Ranch Area zones from the 2024 MRE.
9. Economic assumptions include metal prices of US$2,500/oz Au, US$30/oz Ag, and US$8,800/tonne Cu; an exchange rate of 0.73 US$:CAD$; process recoveries of 93% Au for both Areas, 86% and 88% Ag for the Lawyers and Ranch areas, respectively, and 85% Cu for the Ranch Area; and processing and G&A costs of CAD$17/t and CAD$6/t, respectively. AuEq values are calculated using an Au-to-Ag ratio of 1:80. Cu is not included in the AuEq calculation.
10. Pit-constrained Mineral Resources include blocks within an optimized pit shell derived using the economic assumptions described above, together with a mining cost of CAD$4.0/t for mineralized and waste material, and pit slopes of 52° and 48° for the Lawyers and the Ranch Areas, respectively.
11. Out-of-pit Mineral Resource Estimates include blocks below the constraining pit shell that form continuous and potentially mineable shapes, derived using the economic assumptions described above together with a mining cost of CAD$90/t. These parameters result in an out-of-pit cut-off grade of 1.20 g/t AuEq. Mining shapes encapsulate material within domains with a minimum horizontal width of 2.0 m (perpendicular to strike) and target vertical and horizontal dimensions of approximately 10 m (H) by 20 m (L).

EXPLORATION OPPORTUNITIES

A GEOLOGICAL FRAMEWORK CONSISTENT WITH MAJOR DEPOSITS ACROSS NORTHERN BRITISH COLUMBIA

The Toodoggone Mining District and the Golden Triangle share many geological similarities including their tectonic setting and magmatic-volcanic history.

The “red line” unconformity, first recognized in the Golden Triangle, is a boundary between Triassic and Jurassic rocks widely accepted as a prospectivity marker for porphyry and epithermal mineralization in the Golden Triangle. This stratigraphic boundary is also present in the Toodoggone District, where a similar spatial link exists with known deposits.

Regional geology

A 40 SQUARE-KILOMETER LITHOCAP FOOTPRINT

Silica and clay alteration at Ranch are characteristic of the minerals and textures that form in the lithocap environment at the top of a porphyry system. The Ranch Lithocap is a 40 km2 alteration footprint that contains numerous undrilled epithermal targets.

In 2025, Thesis identified two compelling porphyry exploration targets at Ranch and Ranch East, highlighting the broader district-scale potential of the Lawyers–Ranch Project.

At Ranch, the existing gold-silver resource is hosted within a well-developed high-sulfidation lithocap, characterized by strong silicic and advanced argillic alteration. Geological, geochemical, and geophysical data—including a defined hydrothermal upflow zone at the Moly Corridor—indicate that this lithocap likely overlies a porphyry system at depth, presenting a highly prospective drill target beneath known near-surface mineralization.

At Ranch East, surface mapping has identified high-temperature inner propylitic alteration across a kilometre-scale footprint, along with copper–silver mineralization, including samples grading up to 2.31% Cu. These features are consistent with exposure of deeper levels of a porphyry system, providing a rare window into the deep portions of a porphyry system.

Together, these targets represent different levels of a porphyry–epithermal system and significantly expand the exploration upside at Lawyers–Ranch, with potential to grow the resource base beyond the current development scenario.

Opportunity at Ranch

DISTRICT-SCALE LAND PACKAGE WITH SYSTEM-SCALE POTENTIAL

Approximately 82% of Lawyers-Ranch’s Mineral Resource is hosted in low sulfidation style epithermal mineralization at Lawyers. The remaining resource is hosted in localized deposits within the larger Ranch lithocap footprint defined by silicic, advanced argillic and argillic alteration, which is typical of high-sulfidation epithermal environments that develop above porphyry systems.

There is a well-established link between epithermal and porphyry systems.. The epithermal style gold-silver mineralization at Ranch and Lawyers represent the shallow hydrothermal system and may be linked to an underlying porphyry at depth.

Porphyry–epithermal systems are characterized by predictable alteration patterns and overprinting relationships that can be used to vector toward mineralized intrusions at depth. At deeper levels, these systems commonly develop a domain of propylitic that is zoned outward from a central intrusive complex. This alteration is characterized by mineral assemblages that transition from actinolite-bearing through epidote-dominant and outward into chlorite-altered rocks, reflecting a decrease in temperature away from the intrusion.

At shallow crustal levels, these systems may be overprinted by lithocaps consisting of silicic, advanced argillic, and argillic alteration, which may host high-sulfidation mineralization. The Ranch resource area is characterized by the features that define a Lithocap environment.

The Green Rock and Lithocap environments are separated by a sericite-dominated transition zone, characterized by phyllic and intermediate argillic alteration. This zone represents the interface between lithocap and porphyry environments. Identifying this transition zone, and particularly where hydrothermal fluids were focused, is critical for vectoring toward a porphyry intrusion at depth.

Porphyry-Epithermal Systems

Technical Reports